Skizze02

"Raum der Zahlen" Katalog Deutsch

RAUM DER ZAHLEN

Klangstück für das SPRITZENHAUS

Das SPRITZENHAUS war bis 1990 ein Auslieferungslager der Firma FETTE, die Präzisionswerkzeuge produziert. Erbaut wurde das Haus Ende des 19. Jahrhunderts als „Mietfabrik", der erste Nutzer war die Kistenfabrik „Semmelhack".

Die „leeren" Räume waren bei der Übernahme durch SPRITZENHAUS e.V. voller Materialien und Dokumente - Spuren und „Wunden", die das Gebäu-de im Lauf der Jahre durch seine Nutzung erfahren hatte: zusammengeknüllte leere JUNO-Zigarettenpackungen in den Winkeln der Kopfbänder der Holzsäulen, Laufzettel, kleine Werkstücke und ein Warenkatalog aus den 60er-Jahren sowie Grafiken im Mauerwerk, an den Deckenbalken und auf den Fußböden, verursacht durch abgerissene Aufputz-Stromleitungen, Wasserschäden, oder Druckstellen von schweren Maschinen im Fuß-boden.

Diese Zeitspuren und Wunden sind das Ausgangsmaterial, für das ich Spielregeln und Umformungsoperationen erarbeitet und daraus diese dem Gebäude zugeordnete Klangkomposition erstellt habe.

Es geht mir nicht darum, Musik für Räume zu schaffen, also eine intuitive oder sinnliche Zuordnung von Klängen auf eine vorgegebene architektonische Situation oder um das Ermitteln eines Raumklangs nach architektonisch-akustischen Parametern. Ich suche nach einer „Musik von Räumen", einer akustischen Umsetzung von architektonischem und grafischem Material (Zeitspuren). Diese Ergebnisse sind sehr stark individuell geprägt von meinen eigenen Entscheidungen in fast jeder Phase der einzelnen Kompositionsschritte, gleichzeitig bleiben aber die jeweiligen grafisch-architektonischen Vorgaben die dominanten Parameter für das akustische Ergebnis. Ich verwende Realgeräusche aus den jeweiligen Räumen zusammen mit Instrumentaltranspositionen auf der Grundlage einer Schnittfolge, die sich ganz spezifisch aus dem Material des Raumes ergibt, den ich akustisch bearbeite.
 

Kompositionsprinzip: SPIELEN

Aus dem vorhandenen (grafischen, situationstypischen) Material heraus erfinde ich jeweils neue SPIELREGELN, an die ich mich als der Spieler dann auch halten muß. Fehler (als Nichteinhaltung der Regeln) sind beim Spielen zu vermeiden. Fehler bei der Definition der Spielregeln sind zulässig. (Beispiel: SPIELREGEL: „ein grafisches Ereignis von 1 m Raumlänge entspricht dem akustischen Ereignis von 4 cm Bandlänge." Bei der Verwendung eines gewöhnlichen Lineals mit Millimeteraufteilung und einer Bleistiftmarkierung an der Bandschnittstelle läßt sich nur eine „relative" Exaktheit erreichen, die Schnittlänge ist „fehlerhaft". Dieser Fehler ist also nicht absolut, sondem nur relativ zu der Spielregel.)

Die Klanginstallation RAUM DER ZAHLEN besteht aus 4 Sequenzen, den 4 Etagen des Gebäudes zugeordnet. Über eine Lautsprecherinstallation ist im Treppenhaus auf jeder Etage die jeweilige Sequenz zu hören, der Zuhörer begeht zusammen mit dem Klangstück das gesamte Gebäude. In einem Raum im Keller ist das gesamte Klang-stück in Folge zu hören als Alternative einer rein akustischen Rezeptionsmöglichkeit.
 

1. Sequenz: KELLER

Das Themenmaterial des Kellers ist zugleich das Kernstück der gesamten Installation: der RAUM DER ZAHLEN. Die Kellerräume wurden während des Krieges als Luftschutzräume genutzt und waren in diesem Zustand noch erhalten: Gasschleusen, Notausstiege, Frischluftwinde mit Filtern und Handkurbel sowie Hinweise an den Wänden und über den Türen: „NOT-AUSGANG", „RAUM 4 für 36 Personen", „NOTBETTEN", „TRINKWASSER", „ABORTE", „NICHT RAUCHEN". Darüber waren an sämtlichen Wänden des hinteren Raumes in ca. 2 m Höhe per Hand mit schwarzer Farbe Zahlen aufgemalt worden. Die Zahlenwerte liegen zwischen 3,90 und 13,20, das kleinste Intervall ist x,05 (Bsp.: 9,95 - 7,45 - 7,5 - 7,8 - 6,45...). Die Folge der einzelnen Zahlenwerte entbehrt jeglicher mathematischen Logik, auch sind die jeweils unterschiedlichen Abstände zwischen den einzelnen Zahlen logisch nicht nachvollziehbar. (Eine mögliche Notierung von Handwerkern für Mauerdurchbrüche, Fallrohrverlauf oder sonstige Baumaßnahmen ist bei der Häufigkeit der Zahlen und der Verwendung von schwarzer Farbe auszuschließen). Es gibt auch keinerlei Hinweis auf den Zeitpunkt, an dem diese Zahlenreihen entstanden sind.

Kellerwand1a1a1

Diese Zahlen habe ich als Grundstruktur für die erste Klangsequenz verwendet. Als erste SPIELREGEL wird den Zahlenintervallen x,05 eine chromatische Tonfolge zugeordnet. Über eine zweite SPIELREGEL werden über den Grundton durch die Ziffern vor und nach dem Komma weitere Intervalltöne zugeordnet, dadurch kann jede Zahl je nach Wert in einen Zwei- bis Vierklang umgesetzt werden. Die räumlichen Abstände zwischen den Zahlen werden auf eine Zeitskala übertrager. Diese Zeitskala wird in einem 4/4 Takt notiert. Die Länge eines jeden Akkords reicht bis zum Ende des Taktes, in dem er notiert ist (Bsp.: 1 Takt entspricht 16 cm, die Zahlenposition ist 10 cm, dies ergibt die Notierung einer punktierten Viertel bei einer vorangehenden Halben + Achtel Pause). Von da an bis zum nächsten Zahlenwert/Akkord ist der Nachhall des vorangehenden Akkords zu hören.

Für die Instrumentierung wählte ich das für mich abstrakteste und neutralste Instrument für akkordisches Spiel: das Klavier. Als weitere SPIELREGEL ist hier zugefügt, die Anschlagsdynamik des Instruments sowie die spieltechnische Gewichtung auf einzelne Akkordtöne zu eliminieren. Jeder Akkord wurde im Playbackverfahren durch das Einspielen von Einzelnoten zusammengefügt und im jetzigen Endmix erst als Schnitt hinter dem Anschlag verwandt.

Weitere Klangmaterialien dieser Sequenz sind perkussiv gespielte Metallteile (Gitterrost, Wandhaken), die sich in der Kelleretage befinden, das Geräusch der Frischluftwinde und als Projektion auf das gesamte Gebäude die rhythmische Umsetzung der grafischen Figuren aus dem ETTE-Katalog (siehe 4. Sequenz). Diese Klangmaterialien sind auf die Matrix der „Zahlenrhythmik" geschnitten.

GitterFrischluft1a1a1

RdZ01a1a1a

RdZ02a1a1a

2. Sequenz: ERDGESCHOSS

Diese Etage war zum Zeitpunkt unserer Anmietung der einzige halbwegs intakte Raum, d.h. sie hatte eine Steckdose, elektrisches Licht und funktionierende Heizkörper. Die Beleuchtung bestand aus Neonröhren, die nicht direkt an der Decke installiert, sondern über einen Stabilisationsstab ca. 70 cm abgehängt waren. Insgesamt waren in dem Raum 2 Reihen ä 5 Leuchten installiert, plus 2 weitere, die sich im Winkel von 90° zu den anderen entlang der Wand gegenüber der Fensterfront befanden. Diese beiden waren mittels Ketten abgehängt. Sehr wahrscheinlich waren diese Neonleuchten, als sie installiert wurden, gleichmäßig rechtwinklig zum Raum ausgerichtet. Im Laufe der Jahre verdrehte sich jeder einzelne Leuchtkörper mal mehr, mal weniger, so daß die Leuchtröhren am Ende ein ganz eigenwilliges Zickzackmuster bildeten.

Neonroehre1a1a1

Als Grundmotiv für diese Etage wählte ich ein Foto, das einen Ausschnitt der Decke mit den Neonröhren zeigt. Dieses Foto habe ich per Computer soweit polarisiert und negativ umgekehrt, daß sämtliche Graustufen eliminiert wurden und die verbleibenden Lichtstreifen als Notationsmaterial übrig blieben. Diese Bildinformation wurde auf ein Tonhöhen/Zeit-Raster übertragen und per Handeingabe nachdigitalisiert.
Neonpolarie1

Neondigital1

SPIELREGEL: horizontal: 1 mm Partitur entspricht 5 cm Bandlänge / bei 38 cm/sec. vertikal: 16 Tonhöhen, Instrumentierung: Kontrabaß und Violine; Kontrabaß: von unten nach oben in Halbtönen aufsteigend, Violine: parallel in Ganztönen absteigend. Eine weitere Klangebene ist das Realgeräusch der alten Heizung, ein permanentes Wasserplätschern, bedingt durch die altersschwachen undichten Ventile.
 

3. Sequenz: 1. OBERGESCHOSS

In den unteren Etagen sind die Decken gemauert, die tragenden Säulen sind aus Metall und die Fußböden aus Stein. Diese Etage hat Holzpfeiler, eine Holzdecke und einen Fußbodenbelag aus diffusem weichem Material. Die Holzbohlen an der Decke hatten durch zahlreiche Wasserschäden und die verbleibenden Wasserflecken eine interessante Zeichnung erhalten. Aus der Grafik dieser Deckenbohlen habe ich folgende SPIELREGEL entwickelt:

Die einzelnen Bohlen werden in einer Linie hintereinander angeordnet. Es werden zwei per Computer modifizierte Variationen in der Schnittfolge A B A B A B ... angeordnet. Die Grafiken weisen vielfach vertikale Zäsuren auf. Diese Zäsuren sind die Schnittstellen der Geräuschsequenzen. Die Klangquellen hierfür sind ein Sommergewitter und die Abbrucharbeiten am alten Hertie-Gebäude hier um die Ecke. Die Sequenzen werden in Teilstücke nach Vorgabe der Zäsuren geschnitten. Die einzelnen Teilstücke wurden vorab nach Länge sortiert, die kürzesten Teilstücke beinhalten den Anfang der Klangsequenz, die längsten das Ende. Die einzelnen Teile werden nun wieder nach der grafischen Reihenfolge entsprechend der Partitur geschnitten, es entsteht somit eine neue Zeitfolge eines kontinuierlichen Klangvorganges.

Bei den zahlreichen Furchungen und Rissen im Fußboden sind zwei ca 40 x 30 cm große Flächen besonders herausragend. Hier ist der Fußbodenbelag stark aufgerissen, vielleicht war dort der Standpunkt eines extrem schweren Gegenstandes. Das eine Mal sieht aus wie ein Kopf, das andere könnte als Flasche oder um 90° gewinkelt als Engel gesehen werden. (Es kam mir in den Sinn, interpretatorisch weiterzuarbeiten, ich wäre dann zu Franz Josef Strauß gelangt, aber ich habe es dann doch gelassen). Aus diesen Figuren, als Ensemble „Kopf mit Flasche" und als Einzelfigur „Engel" angeordnet, habe ich die prägnantesten Linien und Flächen herausgearbeitet. Diesen wurden verschiedene Stimmsequenzen zugeordnet und nach Spielregeln realisiert.

Bodenbelag1

SPIELREGELN:

• 1 cm der Partitur entspricht 10 sec.

• als Klangmaterial werden ausschließlich Schrittgeräusche verwendet.

• bei dem Ensemble „Kopf mit Flasche" wird ein sich aus der geometrischen Konfiguration ergebendes Rechteck in den akustischen Prozeß mit einbezogen.

• bei der Figur ,,Engel" wind die Umrisslinie stereophon mit 2 Schrittgeräuschen beschrieben, die der Linie mit variabler Tonnhöhe folgen.

• weitere Linien werden je nach Art ihres Verlaufes dynamisch (Lautstärke) oder räumlich (stereo-phonisch) oder als Kombination von beidem behandelt
Figuren1

Figur02a

KopfmitFlasche1

KopfmitF02a

4. Sequenz: 2. OBERGESCHOSS

Hier fand ich einen „PRÄZISIONS-WERKZEUGE-KATALOG-NR. 69" aus dem Jahr 1969 der Firma W. Fette, dem Vormieter des Hauses bis Mai 1990. Dieser Angebotskatalog bietet reichlich Material an Grafiken in Form von technischen Detailzeichnungen und Tabellen.

Eine Auswahl von 12 technischen Zeichnungen habe ich jeweils auf ein Raster projiziert, mit dem die Grafiken auf einen Drumcomputer übertragen werden konnten. Für die so entstandenen Rhythmen gab ich als eine SPIELREGEL das Metrum 57, bzw. dessen Vielfaches vor. Dieses Metrum ist nach meiner Berechnung das einzige, das einen synchronen Umgang sowohl mit der metrischen Zeiteinheit als auch mit einer ganzzahligen Längeneinheit bei einer Bandlaufgeschwindigkeit von 38 cm/sec ermöglicht. Die gespeicherten Rhythmen können mit unterschiedlichen Stimmen des Drumcomputers kombiniert werden, die Grundprogrammierung ist eine auf 8 Intervall-schritte ausgelegte Stimmführung einer Conga und einer Triangel.

Diese Rhythmen habe ich bereits in der ersten Sequenz: KELLER eingesetzt.

Die vorangegangenen Sequenzen waren bei der Verwendung der jeweiligen Klang-materialien auf historische bzw. gebäudespezifische Klänge und Geräusche bezogen. Diese 4. und letzte Sequenz habe ich anhand eines möglichst abstrakten Strukturmaterials komponiert und als Klangmaterial mein per-sönlichstes Instrument, die E-Gitarre gewählt.

SPIELREGELN:

• es werden 6 Bandspuren synchron mit jeweils unabhängigen E-Gitarrensounds (davon eine mit E-Baß) bespielt.

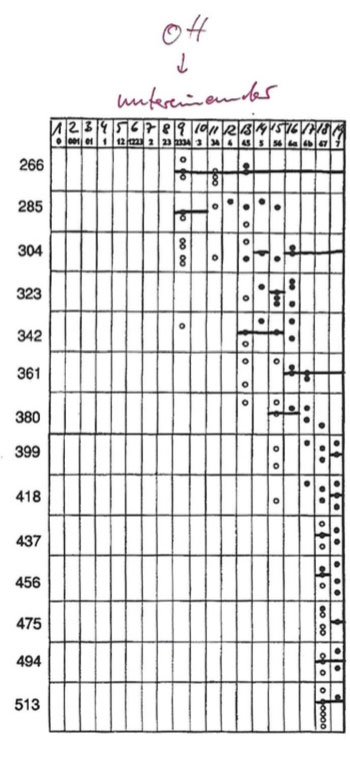
• die Präsenz jeder Klangspur wird über die Tabelle „Auswahl der Gewinderollkopfgrößen nach Gewindeabmessung" im Fette-Katalog Nr. 69 S. 322-323 gesteuert

• von oben nach unten geordnet benennen die Markierungspunkte die Spuren 1 - 6

• jedes Feld entspricht der Zeitlänge 1/2 sec

• volle (schwarze) Punkte stehen als Wert für das Feld, in dem sie sich befinden

• leere Punkte (Kreise) haben den doppelten Wert

• die Stimmen, die als letzte in einer Zeile notiert sind, werden bis zum Ende der Zeile gehalten

• die Rhythmussequenz als 7. Stimme ist stets dann vorhanden, wenn eine oder mehr Stimmen der Gitarrensequenzen aktiviert sind.

Partitur3
Skizze01a1a1a1a1a1a
Bildschirmfoto20190823um125746a1a1a1a1a1a
Partitur4
Partitur5
Partitur6